Описание
Характеристики
Отзывы
Описание
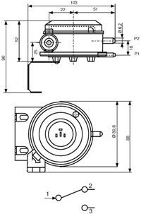
Дифференциальный датчик давления DPD-5/DVL-500 с контактором Прибор позволяет определять степень засорения фильтрующего элемента (фильтра) в системах вентиляции, а также фиксировать момент разрыва ремня вентилятора (приводного). Область использования воздушная среда (воздух) и среда неагрессивных газов. Производитель : Vilmann ( Германия)
Датчик давления DVL-500 предназначено для определения перепада давления неагрессивных газов и применяется для контроля работоспособности различных элементов вентиляционных систем, посредством измерения перепада давления на контролируемом элементе.
При достижении установленного значения подаётся дискретный сигнал on/off на устройство управления. Органы настройки датчика перепада давления расположены снаружи.
Механическое дифференциально реле давление DVL-500 применяется для:
Датчик давления DVL-500 предназначено для определения перепада давления неагрессивных газов и применяется для контроля работоспособности различных элементов вентиляционных систем, посредством измерения перепада давления на контролируемом элементе.
При достижении установленного значения подаётся дискретный сигнал on/off на устройство управления. Органы настройки датчика перепада давления расположены снаружи.
Механическое дифференциально реле давление DVL-500 применяется для:
- контроля загрязнения фильтров
- контроля работы вентилятора
- контроля обрыва ремня вентилятора
- контроля открытия или закрытия воздушных клапанов и заслонок
Характеристики
Тип
Комплектующее для вентиляции
Бренд_85
VILMANN
Длина, мм
90
Единиц в одном товаре
1
Цвет товара
светло-серый
Количество заводских упаковок
1
Ширина, мм
103
Высота, мм
90
Название цвета
Серый
Материал_6383
ABS пластик
Название серии
dvl-500
Вид комплектующего для вентиляции
Датчик перепада давления воздуха
Конструктивные особенности вентиляции
Водоустойчивая конструкция,
Крепежный кронштейн
Все характеристики
Отзывы
Отзывов еще никто не оставлял
